SKFWS89315
SKFGS89418
SKFWS81228
SKFLS1528
SKFWS89310
SKFGS89436
SKFWS89328
SKFAS0515
SKFWS81164
SKFGS81164
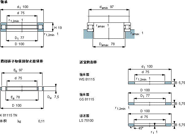
SKF81115TN
SKFWS89306
SKFWS81207
SKF81105TN
SKFGS81110
SKF891/500M
SKFGS81276
SKF81124TN
SKFWS89422
SKFWS81252
移动电话:13524962345
服务热线:021-39528210
公司邮箱:564384742@qq.com
邮政编码:201800
服务时间:周一到周六 8:00-19:00
公司地址:上海市金山区廊下镇景乐路228号3幢