SKFWS811/500
SKFGS81264
SKFGS89309
SKF89460M
SKFWS89430
SKFGS89318
SKFWS89428
SKFGS81112
SKF89430M
SKF81264M
SKFWS89448
SKFGS81117
SKFWS81238
SKFGS81218
SKFWS89316
SKFLS100135
SKF81210TN
SKFGS89426
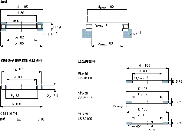
SKF81116TN
SKFLS120155
移动电话:13524962345
服务热线:021-39528210
公司邮箱:564384742@qq.com
邮政编码:201800
服务时间:周一到周六 8:00-19:00
公司地址:上海市金山区廊下镇景乐路228号3幢