SKFWS81213
SKFWS81260
SKFWS81268
SKF89326M
SKF89420M
SKFGS81268
SKFWS81215
SKFBGSB634150
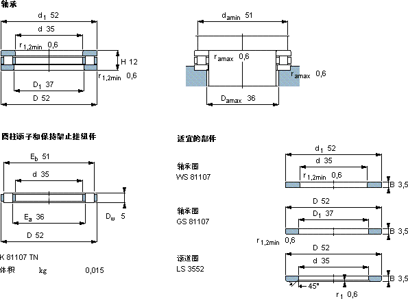
SKF81107TN
SKFGS81214
SKF81126TN
SKF464790
SKFWS89412
SKF811/750M
SKF89328M
SKF81214TN
SKF81228M
SKFBGSB634152A
SKFWS81114
SKFWS81110
移动电话:13524962345
服务热线:021-39528210
公司邮箱:564384742@qq.com
邮政编码:201800
服务时间:周一到周六 8:00-19:00
公司地址:上海市金山区廊下镇景乐路228号3幢