SKF89417M
SKF89413TN
SKF891/710M
SKF81212TN
SKFGS81160
SKFGS89316
SKF89426M
SKFWS81104
SKFWS81196
SKF89312TN
SKFWS81108
SKF89172M
SKFWS81210
SKF81109TN
SKF634055
SKF81168M
SKFGS811/530
SKFBGSB358469
SKFLS5070
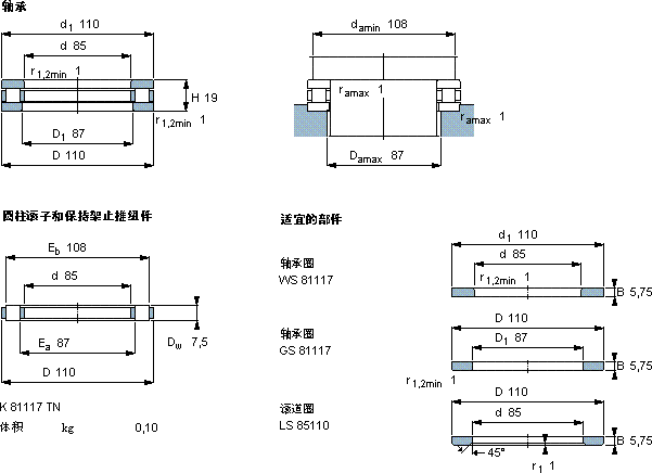
SKF81117TN
移动电话:13524962345
服务热线:021-39528210
公司邮箱:564384742@qq.com
邮政编码:201800
服务时间:周一到周六 8:00-19:00
公司地址:上海市金山区廊下镇景乐路228号3幢