
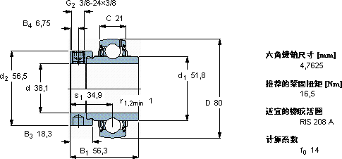
SKFYAR209-2RF/W64

SKFR47

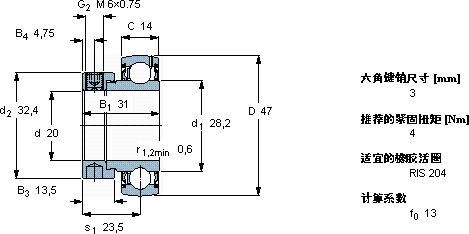
SKFYAR206-2FW/VA228

SKFYAR209-111-2F

SKFYAR216-2F/W64

SKFYAR206-103-2FW/VA201

SKFYEL208-108-2F

SKFYAT209-110

SKFYET204/W64

SKFYET208/VL065

SKFYEL206-102-2F

SKFYAR206-2RF/VE495

SKFYET205-014

SKFYAR212-207-2F/AH

SKFYEL212-204-2F

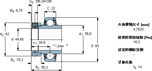
SKFYAR207-2FW/VA228

SKFYEL209-112-2F

SKF1726203-2RS1

SKFYHC209-108-2LS8W/VT357

SKFYAT204-012