欢迎访问上海湟岳实业有限公司官方网站!
全国统一咨询热线021-39528210
13524962345
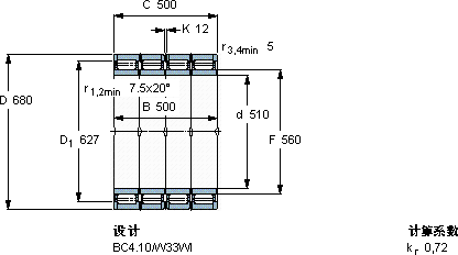
SKFBC4B319411
  • 型号:BC4B319411
  • 旧型号:- -
  • 厚度(B):500.0000
  • 品牌:瑞典SKF轴承
  • 内径(d):510.0000
  • 额定转速:- -
  • 系列:
  • 外径(D):680.0000
  • 极限转速:--
  • 静负荷:--
  • 动负荷:--
  • 备注:--

产品咨询

13524962345

产品详情


Copyright © 2021 上海湟岳实业有限公司